专注联轴器研发与制造 打造联轴器行业领军品牌
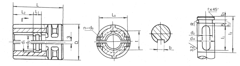
●夹壳联轴器装配和拆卸时轴不需轴向移动,所以装拆很方便,夹壳联轴器的缺点是两轴轴线对中精度低,结构和形状比较复杂,制造及平衡精度较低,只适用于低速和载荷平稳的场合,通常最大外缘的线速度不大于 5m/s ,当线速度超过 5m/s 时需要进行平衡校验。
●夹壳联轴器为了改善平衡状况,螺栓应正、倒相间安装。夹壳联轴器不具备轴向、径向和角向的补偿性能。
●立式夹壳联轴器的得特性与夹壳联轴器近似,结构简单,装拆方便,适用于低速(最高圆周线速度为5M/S),无冲击,振动载荷平稳的场合,宜用于搅拌器等立轴的联接。
● 夹壳联轴器是利用两个沿轴向剖分的夹壳,用螺栓夹紧以实现两轴联接,靠两半联轴器表面间的摩擦力传递转矩,利用平键作辅助联接。
夹壳联轴器是主要有以下几点特点:
(1) 夹壳联轴器重量轻,超低惯性和高灵敏度;
(2) 夹壳联轴器免维护,超强抗油和耐腐蚀性;
(3) 夹壳联轴器无法容许偏心,使用时应让轴尽量外露;
(4) 夹壳联轴器主体材质可选铸铁、铸钢,有腐蚀的情况下使用不锈钢材质;
(5) 夹壳联轴器固定方式有夹紧,顶丝固定;
(6) 夹壳联轴器结构简单,装卸方便;

